Home > Stainless & Steel Fitting > JIC 74° Cone Flared Tube Fitting > JIC MALE / JIC MALE / JIC FEMALE
1/1
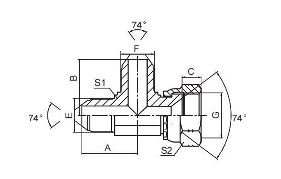
JIC MALE / JIC MALE / JIC FEMALE
(0)
0 Sold
$0.00
1/1
